ПЛАТА АМПЛИТУДНОГО КВАНТОВАТЕЛЯ
Плата амплитудного квантователя (ПАК) предназначена для бинарного квантования входных ВС, а также логической обработки в соответствии с заданной логикой очистки. Первую функцию выполняет амплитудный квантователь, вторую – анализатор. Функциональная схема амплитудного квантователя приведена на рисунке 5.8, а временные диаграммы сигналов в нем на рисунке 5.9. Характерной особенностью схемы является то, что уровень порогового напряжения изменяется в зависимости от уровня входных сигналов.


Это обстоятельство обусловлено необходимостью поддержания уровня вероятности ложной тревоги на заданном уровне в соответствии с критерием обнаружения Неймана–Пирсона. В качестве помеховых сигналов рассматриваются как внешние сигналы источников активных помех, так и внутренние шумы приемного устройства. Входные сигналы через эмиттерный повторитель подаются на пороговый каскад. Уровень порогового напряжения регулируется с помощью устройств, включающих преобразователь числа импульсов в напряжение и дифференциальный усилитель сигнала ошибки.
На выходе порогового каскада формируются единичные видеоимпульсы, длительность которых определяется длительностью времени превышения входными сигналами порога Uпор. Число импульсов, прошедших пороговый каскад, пропорционально мощности (дисперсии) входных сигналов за определенный промежуток времени, которыми могут быть как полезные сигналы от ответчиков, так и помеховые (в том числе и внутренние шумы).Число срабатываний порогового каскада по полезным сигналам Nп не превышает пропускной способности системы управления полетами (оно известно), число срабатываний от внутреннего шума Nш при заданной вероятности логикой тревоги также известно.
Если суммарное число срабатываний N ≠ Nп+Nш, то это свидетельствует о том, что либо увеличилась (уменьшилась) мощность внутреннего шума приемника, либо на входе ДРЛ действует (отсутствует) помеховый сигнал совместно с полезным.
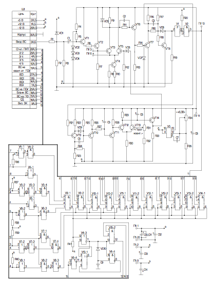
Преобразователь числа импульсов в напряжение изменяет уровень выходного сигнала, который после усиления в дифференциальном усилителе сигнала ошибки поступает в пороговый каскад на изменение порога квантования. На рисунке 5.10 приведена принципиальная схема ПАК. Входные сигналы положительной полярности поступают на вход составного эмиттерного повторителя VT1, VT2. R4, R5, VД2, VД3, VД4 – цепь задания напряжения исходной рабочей точки, которое выбрано таким образом, чтобы на эмиттере VТ2 был отрицательный потенциал, близкий к нулю. Пороговый каскад выполнен на VТ3…VТ6 и туннельном диоде VД5. В отсутствие входного сигнала VТ3 заперт отрицательным напряжением с эмиттера VТ2. Если пороговое напряжение, подаваемое на базу VТ5, положительно, то VТ5 открыт и через него течет ток, значение которого определяется параметрами VТ4 и не зависит от напряжения на его коллекторе. Через запертый по базе VТ3 течет небольшой ток, VТ6 заперт. При поступлении входных сигналов VТ3 отпирается. При увеличении тока через VТ5 до 5 mА напряжение на нем скачком возрастает, отпирается VТ6.

Дальнейший рост тока VТ5 ограничивается VТ4. С уменьшением входного напряжения VТ3 запирается. Квантованные по амплитуде видеосигналы положительной полярности с коллектора VТ6 поступают на эмиттерный повторитель VТ7. С повторителя сигналы подаются на преобразователь числа импульсов в напряжение, выполненный на VТ9…VТ11, и на выходной каскад VТ8. Далее квантованные импульсы через формирователь амплитуды на У2 поступают на выход амплитудного квантователя. При этом положительные импульсы с VТ7 вводят VТ9 в режим насыщения, конденсатор С4 быстро разряжается через диод VД9 и открытый транзистор до напряжения минус 9В. В промежутках между импульсами С4 заряжается через резистор R25 от источника питания. Напряжение с С4 подается через эмиттерный повторитель на VТ10 на интегрирующую цепь R27, С5 (постоянная времени 300 мкс). Постоянное напряжение, пропорциональное числу срабатываний квантователя, через эмиттерный повторитель на VТ11 поступает на дифференциальный каскад на VТ12, VТ13. Величина напряжения на конденсаторе С6 при отсутствии входных сигналов определяется напряжением с R31 (ПОРОГ КВАНТОВАНИЯ, задаётся Рлт зад. за счёт воздействия внутренних шумов приёмника). Это напряжение с С8 через повторитель VТ14 поступает на пороговый каскад. При изменении интенсивности шумов, помех число срабатываний порогового устройства изменяется, входное напряжение на VТ12 изменяется, также изменяется напряжение на С6. Изменится и порог срабатывания порогового каскада VТ3…VТ5, изменяя число его срабатываний N.
Функциональная схема анализатора схемы логической обработки приведена на рисунке 5.11. На вход анализатора поступают как текущие ВС (незадержанные) с платы ПОУ, так и задержанные в ППНП (ВС1, ВС2, ВС3, ВС4).Выходные сигналы с ИЛИ1 в формирователе длительности нормируются по длительности (при наличии команды ВКЛ.ВК (временного квантователя)). Схема И12 выполняет селектирование выходных сигналов стробом дальности (СД) и бланкирование либо БЛАНКОМ ВС СДЦ, либо БЛАНКОМ ВС ПАРН. Длительность СД равна длительности 670 квантов дальности.
